雷火竞技

MARPOSS测头TT系列 您现在的位置: 首页 > 产品中心 > 产品分类 > 仪器仪表 > 测头 > MARPOSS测头TT系列
MARPOSS测头TT系列
名称:  MARPOSS测头TT系列
型号:  MARPOSS
品牌:  MARPOSS
产地:  意大利
立即咨询
发布时间:  2018-10-17
浏览次数:  5949
产品详情

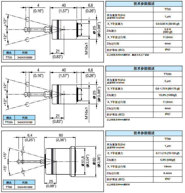
  MARPOSS侧头TT系列属于触发式测头,是专为在机床上需要三维立体测量而设计的。是主要应用于数控铣床、刀具磨和磨床的三维测头。TT测头提供非常高的重复精度,出众的三维测量能力,能够精确地测量复杂表面,典型的应用有在铣床上加工模具、外壳、涡轮等等。该特性也特别适用在刀具磨和齿轮磨上的涉及有角度的工件。

  MARPOSS侧头TT系列测头分为TT25、TT25h、TT60三类,TT25h测头是大触发力的TT25产品,允许使用

  复杂的或质量大的测杆,在振动大的机床上使用有独特好处。TT60测头有很大的行程,特别适合应用在大铣床和钻床上,在实际的加工中解决需要长测杆的应用方案。

  TT测头兼容各种MIDA标准组件,能和各种传输系统配套使用,选择最佳的应用方案。用耐用的橡胶材料做成的前部垫圈提供出众的保护能力,使之能适应各种恶劣的机床环境。

  MARPOSS侧头TT系列技术参数:

  部分产品型号:

变压器ST0.63ACIN380OUT220

控制电源变压器ST1,6Nr:1838/101,6KVA

变压器UTW0.075;24V

离合器EAS10930/E06412/400.505.0

变压器GDC0.32380VAC-24VDC

变压器GDC0.50变压器

测温热电偶791-D-0002E/A838

制动器100/891.104.0

变压器ST1.6NR.3561/09nEN61556

电源ST0,4KVA:0.4PRIM

变压器GDSC1,0380-24v

终端开关080015055.000.5.0703

变压器TYP:ST1,6Nr.3561/09N.EN61158

电源UTL4,0KVA:4.0PRIM

变压器ST1,6

离合器k412109309136193/400.605.7S

变压器UST10400/230VAC1000VA

电源DC0.4SPRIMV:200-550V

备件DKL105235/13

离合器EAS.COML0118457011490.625.1

变压器UST0,63

备件UTL4,0NR:1982/05n.EN61558

MARXHBELLOFRAM控制变压器EGN0.13S

制动器100/891.014.ISO

变压器变压器ST0.8;0.8KVA;

备件ST0,4NR:1983/05n.EN61558

备件TYPDC0.4SNr:253/03PRIMV

电磁安全制动器电磁安全制动器100/891.014.1SO

控制变压器ST1、0、Nr.:114/08

备件DC0,4SNR:1984/05n.EN61558

减压阀T50-069

制动器E3122626X10689314/802.420.3

  MARPOSS侧头TT系列相关产品图片:

0755-83233703 info@lyqzys.com